Бренды
Услуги
  • Шеф-монтаж
  • Наладка и регулировка
  • Диагностика гидросистем
  • Техническое обслуживание
Компания
  • О компании
  • Блог
    • Блог
  • Нас рекомендуют
Информация
  • Реквизиты
  • Представительства
  • Проекты
    • Реализованные проекты для Северстали
      • Поставка вальцешлифовального станка
      • Токарно-фрезерный станок
      • Модернизация Системы ГНУ стана 5000
      • Нагревательная печь стана 5000
      • Технологическая линия: АНГА
      • Ножницы продольной резки листа в линии резки стана 5000
      • Клапаны для доменной печи
      • Машины литейного двора доменной печи
      • Вращающийся распределитель шихты
      • Система измерения уровня засыпи доменной печи
      • Маркировщик раскатов в линии стана 5000
    • Реализованные проекты для НЛМК
      • Засыпное устройство доменной печи
      • Клапаны для доменной печи
      • Ножницы циркулярные
    • Реализованные проекты для ЦЕМРОС
      • Двигатель горизонтальной мельницы 7000kW для привода цементной мельницы
      • Редуктор вертикальной мельницы
    • Реализованные проекты для Уральской стали
      • Электровоз для КХП (в комплекте с резервным двигателем YVF-110Q)
      • Клапаны для доменной печи
    • Реализованные проекты для ОМК
      • Рекуператоры для нагревательной печи
      • Рольганг 30 роликов
      • Рольганг 7 роликов
    • Реализованные проекты для Полюс
      • Поставка редуктора 2Ц3-710 для АО "Полюс Красноярск"
  • Завод ЭПРО
  • Автоматизированные системы на основе ИИ
  • Официальные дилеры
Помощь
  • Оплата
  • Доставка
  • Гарантия
Контакты
    +7 (952) 241-22-85
    +7 (952) 241-22-85
    E-mail
    market@exima.pro
    Адрес
    Санкт-Петербург, ул. Новорощинская, д. 4, литер А,
    часть 1Н, № 670 (офис 1023-2)
    Режим работы
    с 9:00 до 18:00
    exima.market
    Цены указаны с НДС
    • Аксессуары для гидравлического оборудования
      • Проушины      
        • Проушина серии GIHN-K
        • Проушина серии GIHO-K
        • Проушина серии GIHR-K
        • Проушины GAS
    • Гидравлические насосы не регулируемые
      Гидравлические насосы не регулируемые
      • Аксиально-поршневые насосы      
        • A2FO - насос нерегулируемый с наклонным блоком для открытых систем
        • A2V - насос регулируемый с наклонным блоком для открытых, полузамкнутого и замкнутого контуров
        • A4VSO - насос регулируемый для открытых систем
        • PD (Parker) - насос регулируемый для открытых систем
        • PV (Parker) - насос регулируемый для открытых систем
        • PVB (VIckers-Eaton) - насос регулируемый для открытых систем
        • PVH (VIckers-Eaton) - насос регулируемый для открытых систем
        • PVQ (Vickers-Eaton) - насос регулируемый для промышленных систем
      • Винтовые насосы
      • Пластинчатые насосы      
        • T7*, T67*, T6* - Пластинчатые насосы (аналог Parker (Denison))
        • V - Пластинчатые насосы (аналог Vickers (Eaton))
        • VP1 - Пластинчатые регулируемые насосы (аналог PVT-210)
        • VP11 и VP22 - Пластинчатые регулируемые насосы двухпоточные (сдвоенные)
        • VP2 - Пластинчатые регулируемые насосы VP2 (аналог PVT-322)
        • БГ12 - Пластинчатый нерегулируемый насос YB-D (аналог БГ12) одиночный
        • Большие расходы - Насос пластинчатый нерегулируемый YB-D (50V) для больших подач
        • Картриджи для пластинчатых насосов
        • НПл16 - Пластинчатый нерегулируемый насос PV2R (аналог НПл*16) одиночный
        • НПл16 двухпоточный - Пластинчатый нерегулируемый насос PV2R (аналог НПл*-*16) сдвоенный
        • НПл6,3 двухпоточный - Пластинчатый нерегулируемый насос YB1 (аналог НПл *-*6,3) сдвоенный
      • Плунжерные насосы высокого давления      
        • Насосные агрегаты
        • Плунжерные насосы
        • Разгрузочные клапаны
      • Шестеренные внешнего зацепления      
        • 1P
        • ALP
        • GHP
      • Шестеренные внутреннего зацепления
    • Гидравлические насосы регулируемые
      Гидравлические насосы регулируемые
      • Аксиально поршневые насосы для открытого контура
      • Аксиально-поршневые насосы с наклонным блоком
      • Аксиально-поршневые насосы с наклонным диском
      • Аксиально-поршневые регулируемые
      • Пластинчатые регулируемые
    • Гидравлические устройства управления
      Гидравлические устройства управления
      • Взрывозащищенная гидравлика
      • Катушки, штекеры, уплотнения для клапанов      
        • Комплекты уплотнения для распределителей 4WE и 4WEH
        • Электромагниты для распределителей WE6 и WE10
        • Электроразъемы для гидравлических клапанов
      • Клапаны давления      
        • Клапаны последовательности
        • Предохранительные гидравлические клапаны
        • Редукционные клапаны
      • Клапаны расхода      
        • Дроссели гидравлические
        • Регуляторы потока
      • Модульные клапаны
      • Обратные клапаны и гидрозамки      
        • Гидрозамки
        • Обратные клапаны
      • Плиты гидравлические
      • Распределители      
        • 4WE10 - Гидрораспределитель золотниковый Ду 10 с электроуправлением
        • 4WE10 (серия 5X) - Гидрораспределитель золотниковый Ду 10 с электроуправлением
        • 4WE4 - Гидрораспределитель золотниковый Ду 4 с электроуправлением
        • 4WE5 - Гидрораспределитель золотниковый Ду 5 с электроуправлением
        • 4WE6 - Гидрораспределитель золотниковый Ду 6 с электроуправлением
        • 4WEH,,,- Гидрораспределитель с электроуправлением Ду10 - Ду32
        • 4WEH...- Гидрораспределитель с электроуправлением Ду10 - Ду32
        • 4WEMM6,10 - Гидрораспределители золотниковые Ду6, 10 с электроуправлением и ручным управлением рычагом
        • 4WMM10 - Гидрораспределитель Ду 10 с ручным управлением
        • 4WMM16, 4WMM25, 4WMM32 - Гидрораспределитель Ду 16, Ду 25 и Ду 32 с ручным управлением
        • 4WMM6 - Гидрораспределитель Ду 6 с ручным управлением
        • M-3SED10, M-4SED10 - Гидрораспределитель седельного типа Ду 10 с электроуправлением (на 350 бар)
        • M-3SED6, M-4SED6 - Гидрораспределитель седельного типа Ду 6 с электроуправлением (на 350 бар)
        • M-3SEW10, M-4SEW10 - Гидрораспределитель седельного типа Ду 10 с электроуправлением (на 420 и 630бар)
        • M-3SEW6, M-4SEW6 - Гидрораспределитель седельного типа Ду 6 с электроуправлением (на 420 и 630бар)
        • Гидравлические распределители различных модификаций
      • Реле и датчики давления      
        • HED4 - Реле давление поршневое
        • HED8 - Реле давление поршневое
        • HSZ06, HSZ10 - Плита модульная для реле давления HED8
        • Датчики давления
      • Сервоклапаны (аналоги MOOG)
      • Шаровые краны на высокое давление      
        • AF6 - запорный кран для манометра
        • Краны для манометра
        • Шаровой кран 2/2
        • Шаровой кран 2/2 на плиту
        • Шаровой кран 3/2
        • Шаровой кран 4/3
      • Электроника для пропорциональных клапанов      
        • Диагностика пропорциональных клапанов
        • Усилители внешние
        • Усилители встроенные (OBE)
      • Пропорциональные клапаны      
        • Пропорциональные гидрораспределители
        • Пропорциональные клапаны давления
        • Пропорциональные регуляторы расхода
      • Логические клапаны LC и LFA      
        • LC картридж - предохранительные клапаны
        • LC картридж - распределители
        • LC картридж - редукционные клапаны
        • LFA крышка - клапаны давления
        • LFA крышка - распределители
        • LFA крышка - с датчиками (конечными выключателями)
    • Гидромоторы
      Гидромоторы
      • Аксиально-поршневые моторы      
        • A2FE - аксиально-поршневой гидромотор нерегулируемый встраиваемого типа
        • A2FM - аксиально-поршневой гидромотор нерегулируемый с наклонным блоком
        • A4FM - аксиально-поршневой гидромотор нерегулируемый с наклонным диском
        • A6VM - аксиально-поршневой гидромотор регулируемый
      • Радиально-поршневые моторы      
        • GM - радиально-поршневые гидромоторы серии GM (альтернатива SAI Hydraulics)
        • HMB, HMC - радиально-поршневые гидромоторы серии HMB и HMC (альтернатива Kawasaki)
        • MS, MSE - радиально-поршневые гидромоторы серии MS и MSE (альтернатива Poclain)
    • Акционные товары
    • Системы смазки
      • Двухлинейные системы смазки      
        • Станции смазки для двухлинейных систем
    Войти
    0 Избранное
    0 Корзина
    Каталог Каталог Главная Главная Скидки Скидки Портфолио Портфолио Покупки Покупки Собственное производство Собственное производство
    exima.market
    Войти
    0 Избранное
    0 Корзина
    exima.market
    Телефоны
    +7 (952) 241-22-85
    E-mail
    market@exima.pro
    Адрес
    Санкт-Петербург, ул. Новорощинская, д. 4, литер А,
    часть 1Н, № 670 (офис 1023-2)
    Режим работы
    с 9:00 до 18:00
    0
    0
    • Кабинет
    • 0 Избранное
    • 0 Корзина
    • Бренды
    • Услуги
      • Услуги
      • Шеф-монтаж
      • Наладка и регулировка
      • Диагностика гидросистем
      • Техническое обслуживание
    • Компания
      • Компания
      • О компании
      • Блог
        • Блог
        • Блог
      • Нас рекомендуют
    • Блог
      • Блог
      • Блог
    • Информация
      • Информация
      • Реквизиты
      • Представительства
      • Проекты
        • Проекты
        • Реализованные проекты для Северстали
          • Реализованные проекты для Северстали
          • Поставка вальцешлифовального станка
          • Токарно-фрезерный станок
          • Модернизация Системы ГНУ стана 5000
          • Нагревательная печь стана 5000
          • Технологическая линия: АНГА
          • Ножницы продольной резки листа в линии резки стана 5000
          • Клапаны для доменной печи
          • Машины литейного двора доменной печи
          • Вращающийся распределитель шихты
          • Система измерения уровня засыпи доменной печи
          • Маркировщик раскатов в линии стана 5000
        • Реализованные проекты для НЛМК
          • Реализованные проекты для НЛМК
          • Засыпное устройство доменной печи
          • Клапаны для доменной печи
          • Ножницы циркулярные
        • Реализованные проекты для ЦЕМРОС
          • Реализованные проекты для ЦЕМРОС
          • Двигатель горизонтальной мельницы 7000kW для привода цементной мельницы
          • Редуктор вертикальной мельницы
        • Реализованные проекты для Уральской стали
          • Реализованные проекты для Уральской стали
          • Электровоз для КХП (в комплекте с резервным двигателем YVF-110Q)
          • Клапаны для доменной печи
        • Реализованные проекты для ОМК
          • Реализованные проекты для ОМК
          • Рекуператоры для нагревательной печи
          • Рольганг 30 роликов
          • Рольганг 7 роликов
        • Реализованные проекты для Полюс
          • Реализованные проекты для Полюс
          • Поставка редуктора 2Ц3-710 для АО "Полюс Красноярск"
      • Завод ЭПРО
      • Автоматизированные системы на основе ИИ
      • Официальные дилеры
    • Контакты
    +7 (952) 241-22-85
    • Телефоны
    • +7 (952) 241-22-85
    • market@exima.pro
    • Санкт-Петербург, ул. Новорощинская, д. 4, литер А,
      часть 1Н, № 670 (офис 1023-2)
    • с 9:00 до 18:00
    Главная
    Каталог
    Гидравлические устройства управления
    Логические клапаны LC и LFA
    LFA крышка - клапаны давления

    LFA крышка - клапаны давления

    4620
    LFA крышка - клапаны давления
    Сначала популярные
    С начала алфавита
    С конца алфавита
    Сначала непопулярные
    Сначала популярные
    Сначала дешевые
    Сначала дорогие
    Сначала недоступные
    Сначала доступные
    По свойству "Наличие в магазинах" (возрастание)
    По свойству "Наличие в магазинах" (убывание)
    Фильтр
    Сначала популярные
    С начала алфавита
    С конца алфавита
    Сначала непопулярные
    Сначала популярные
    Сначала дешевые
    Сначала дорогие
    Сначала недоступные
    Сначала доступные
    По свойству "Наличие в магазинах" (возрастание)
    По свойству "Наличие в магазинах" (убывание)
    Цена
    10 311.36
    19 328.36
    28 346.36
    37 363.36
    46 381.30
    Показать
    Бренд
    ? Примечание
    Мы официальный дилер представленных брендов
    Показать
    Типоразмер
    + Еще
    Показать
    Выбрано: 0 Показать
    Выбрано: 0
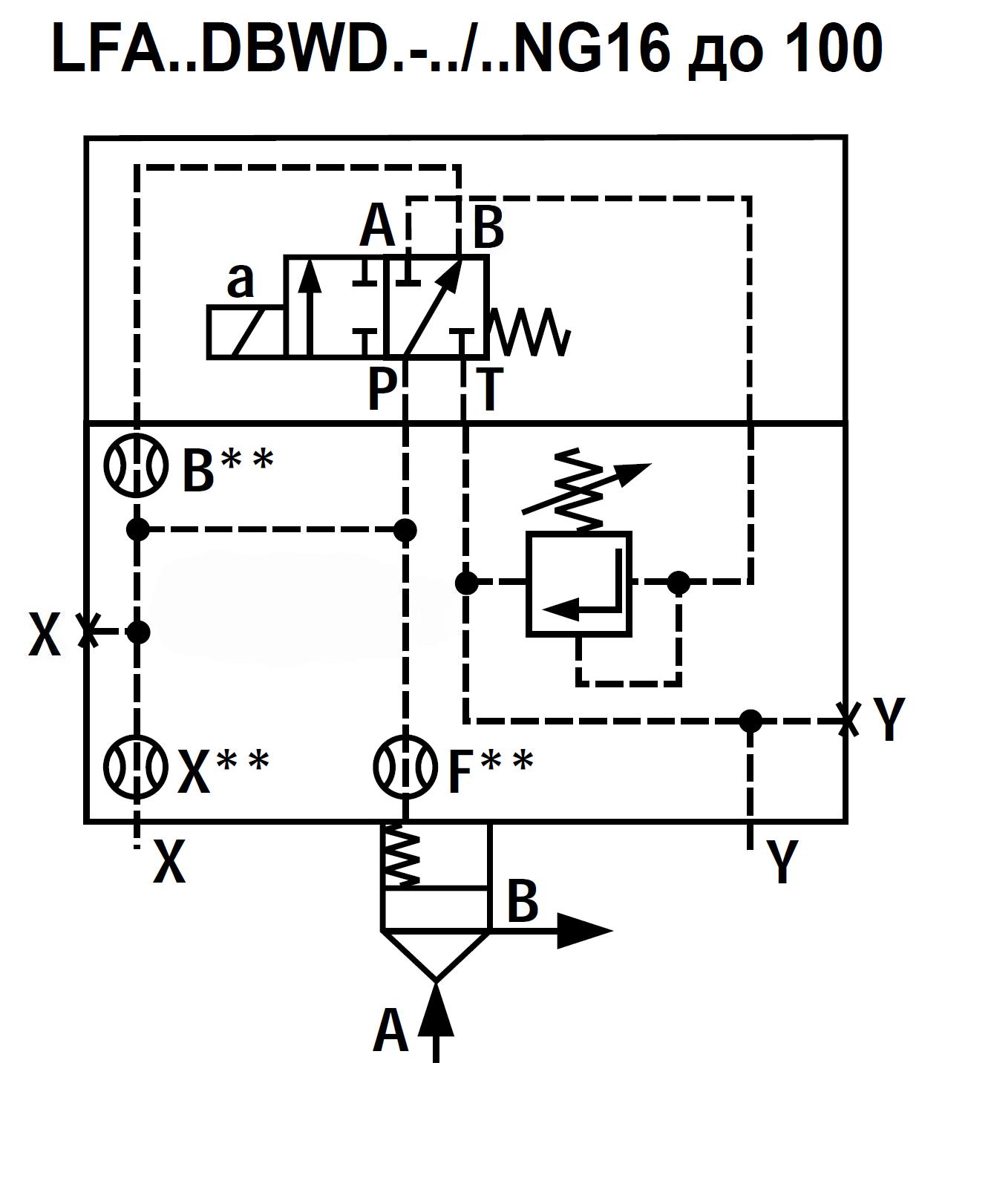
    LFA25DBWD2-7X/200 - Крышка для логического клапана, типоразмер Ду25 функционал - DBWD2 = крышка с предохранительным клапаном с ручной настройкой с функцией запирания, под установку распределителя Ду6, два выхода X и Y, элемент регулировки - винт под шести LFA25DBWD2-7X/200 - Крышка для логического клапана, типоразмер Ду25 функционал - DBWD2 = крышка с предохранительным клапаном с ручной настройкой с функцией запирания, под установку распределителя Ду6, два выхода X и Y, элемент регулировки - винт под шести
    LFA25DBWD2-7X/200 - Крышка для логического клапана, типоразмер Ду25 функционал - DBWD2 = крышка с предохранительным клапаном с ручной настройкой с функцией запирания, под установку распределителя Ду6, два выхода X и Y, элемент регулировки - винт под шести
    0
    0
    В наличии: 3
    12 104.33 ₽
    LFA25DBWD2-7X/200 - Крышка для логического клапана, типоразмер Ду25 функционал - DBWD2 = крышка с предохранительным клапаном с ручной настройкой с функцией запирания, под установку распределителя Ду6, два выхода X и Y, элемент регулировки - винт под шести LFA25DBWD2-7X/200 - Крышка для логического клапана, типоразмер Ду25 функционал - DBWD2 = крышка с предохранительным клапаном с ручной настройкой с функцией запирания, под установку распределителя Ду6, два выхода X и Y, элемент регулировки - винт под шести
    LFA25DBWD2-7X/200 - Крышка для логического клапана, типоразмер Ду25 функционал - DBWD2 = крышка с предохранительным клапаном с ручной настройкой с функцией запирания, под установку распределителя Ду6, два выхода X и Y, элемент регулировки - винт под шести
    0
    0
    В наличии: 3
    12 104.33 ₽
    LFA25DBWD2-7X/100 - Крышка для логического клапана, типоразмер Ду25 функционал - DBWD2 = крышка с предохранительным клапаном с ручной настройкой с функцией запирания, под установку распределителя Ду6, два выхода X и Y, элемент регулировки - винт под шести LFA25DBWD2-7X/100 - Крышка для логического клапана, типоразмер Ду25 функционал - DBWD2 = крышка с предохранительным клапаном с ручной настройкой с функцией запирания, под установку распределителя Ду6, два выхода X и Y, элемент регулировки - винт под шести
    LFA25DBWD2-7X/100 - Крышка для логического клапана, типоразмер Ду25 функционал - DBWD2 = крышка с предохранительным клапаном с ручной настройкой с функцией запирания, под установку распределителя Ду6, два выхода X и Y, элемент регулировки - винт под шести
    0
    0
    В наличии: 3
    12 104.33 ₽
    LFA25DBWD2-7X/100 - Крышка для логического клапана, типоразмер Ду25 функционал - DBWD2 = крышка с предохранительным клапаном с ручной настройкой с функцией запирания, под установку распределителя Ду6, два выхода X и Y, элемент регулировки - винт под шести LFA25DBWD2-7X/100 - Крышка для логического клапана, типоразмер Ду25 функционал - DBWD2 = крышка с предохранительным клапаном с ручной настройкой с функцией запирания, под установку распределителя Ду6, два выхода X и Y, элемент регулировки - винт под шести
    LFA25DBWD2-7X/100 - Крышка для логического клапана, типоразмер Ду25 функционал - DBWD2 = крышка с предохранительным клапаном с ручной настройкой с функцией запирания, под установку распределителя Ду6, два выхода X и Y, элемент регулировки - винт под шести
    0
    0
    В наличии: 3
    12 104.33 ₽
    LFA25DBWD2-7X/100 - Крышка для логического клапана, типоразмер Ду25 функционал - DBWD2 = крышка с предохранительным клапаном с ручной настройкой с функцией запирания, под установку распределителя Ду6, два выхода X и Y, элемент регулировки - винт под шести LFA25DBWD2-7X/100 - Крышка для логического клапана, типоразмер Ду25 функционал - DBWD2 = крышка с предохранительным клапаном с ручной настройкой с функцией запирания, под установку распределителя Ду6, два выхода X и Y, элемент регулировки - винт под шести
    LFA25DBWD2-7X/100 - Крышка для логического клапана, типоразмер Ду25 функционал - DBWD2 = крышка с предохранительным клапаном с ручной настройкой с функцией запирания, под установку распределителя Ду6, два выхода X и Y, элемент регулировки - винт под шести
    0
    0
    В наличии: 3
    12 104.33 ₽
    LFA25DBWD2-7X/100 - Крышка для логического клапана, типоразмер Ду25 функционал - DBWD2 = крышка с предохранительным клапаном с ручной настройкой с функцией запирания, под установку распределителя Ду6, два выхода X и Y, элемент регулировки - винт под шести LFA25DBWD2-7X/100 - Крышка для логического клапана, типоразмер Ду25 функционал - DBWD2 = крышка с предохранительным клапаном с ручной настройкой с функцией запирания, под установку распределителя Ду6, два выхода X и Y, элемент регулировки - винт под шести
    LFA25DBWD2-7X/100 - Крышка для логического клапана, типоразмер Ду25 функционал - DBWD2 = крышка с предохранительным клапаном с ручной настройкой с функцией запирания, под установку распределителя Ду6, два выхода X и Y, элемент регулировки - винт под шести
    0
    0
    В наличии: 3
    12 104.33 ₽
    LFA25DB2-7X/050 - Крышка для логического клапана, типоразмер Ду25 функционал - DB2 = крышка с предохранительным клапаном с ручной настройкой, два выхода X и Y, элемент регулировки - винт под шестигранник с защитным колпачком, диапазон настройки давления д LFA25DB2-7X/050 - Крышка для логического клапана, типоразмер Ду25 функционал - DB2 = крышка с предохранительным клапаном с ручной настройкой, два выхода X и Y, элемент регулировки - винт под шестигранник с защитным колпачком, диапазон настройки давления д
    LFA25DB2-7X/050 - Крышка для логического клапана, типоразмер Ду25 функционал - DB2 = крышка с предохранительным клапаном с ручной настройкой, два выхода X и Y, элемент регулировки - винт под шестигранник с защитным колпачком, диапазон настройки давления д
    0
    0
    В наличии: 3
    12 104.33 ₽
    LFA16DRW2-7X/150 - Крышка для логического клапана, типоразмер Ду16 функционал - DRW2 = крышка с редукционным клапаном с ручной настройкой с функцией запирания, под установку распределителя Ду6, три выхода Z2, X и Y, элемент регулировки - винт под шестигра LFA16DRW2-7X/150 - Крышка для логического клапана, типоразмер Ду16 функционал - DRW2 = крышка с редукционным клапаном с ручной настройкой с функцией запирания, под установку распределителя Ду6, три выхода Z2, X и Y, элемент регулировки - винт под шестигра
    LFA16DRW2-7X/150 - Крышка для логического клапана, типоразмер Ду16 функционал - DRW2 = крышка с редукционным клапаном с ручной настройкой с функцией запирания, под установку распределителя Ду6, три выхода Z2, X и Y, элемент регулировки - винт под шестигра
    0
    0
    В наличии: 3
    10 717.15 ₽
    LFA16DRW2-7X/150 - Крышка для логического клапана, типоразмер Ду16 функционал - DRW2 = крышка с редукционным клапаном с ручной настройкой с функцией запирания, под установку распределителя Ду6, три выхода Z2, X и Y, элемент регулировки - винт под шестигра LFA16DRW2-7X/150 - Крышка для логического клапана, типоразмер Ду16 функционал - DRW2 = крышка с редукционным клапаном с ручной настройкой с функцией запирания, под установку распределителя Ду6, три выхода Z2, X и Y, элемент регулировки - винт под шестигра
    LFA16DRW2-7X/150 - Крышка для логического клапана, типоразмер Ду16 функционал - DRW2 = крышка с редукционным клапаном с ручной настройкой с функцией запирания, под установку распределителя Ду6, три выхода Z2, X и Y, элемент регулировки - винт под шестигра
    0
    0
    В наличии: 3
    10 717.15 ₽
    LFA16DBWD2-7X/200 - Крышка для логического клапана, типоразмер Ду16 функционал - DBWD2 = крышка с предохранительным клапаном с ручной настройкой с функцией запирания, под установку распределителя Ду6, два выхода X и Y, элемент регулировки - винт под шести LFA16DBWD2-7X/200 - Крышка для логического клапана, типоразмер Ду16 функционал - DBWD2 = крышка с предохранительным клапаном с ручной настройкой с функцией запирания, под установку распределителя Ду6, два выхода X и Y, элемент регулировки - винт под шести
    LFA16DBWD2-7X/200 - Крышка для логического клапана, типоразмер Ду16 функционал - DBWD2 = крышка с предохранительным клапаном с ручной настройкой с функцией запирания, под установку распределителя Ду6, два выхода X и Y, элемент регулировки - винт под шести
    0
    0
    В наличии: 3
    10 311.36 ₽
    LFA16DBWD2-7X/200 - Крышка для логического клапана, типоразмер Ду16 функционал - DBWD2 = крышка с предохранительным клапаном с ручной настройкой с функцией запирания, под установку распределителя Ду6, два выхода X и Y, элемент регулировки - винт под шести LFA16DBWD2-7X/200 - Крышка для логического клапана, типоразмер Ду16 функционал - DBWD2 = крышка с предохранительным клапаном с ручной настройкой с функцией запирания, под установку распределителя Ду6, два выхода X и Y, элемент регулировки - винт под шести
    LFA16DBWD2-7X/200 - Крышка для логического клапана, типоразмер Ду16 функционал - DBWD2 = крышка с предохранительным клапаном с ручной настройкой с функцией запирания, под установку распределителя Ду6, два выхода X и Y, элемент регулировки - винт под шести
    0
    0
    В наличии: 3
    10 311.36 ₽
    LFA16DBWD2-7X/200 - Крышка для логического клапана, типоразмер Ду16 функционал - DBWD2 = крышка с предохранительным клапаном с ручной настройкой с функцией запирания, под установку распределителя Ду6, два выхода X и Y, элемент регулировки - винт под шести LFA16DBWD2-7X/200 - Крышка для логического клапана, типоразмер Ду16 функционал - DBWD2 = крышка с предохранительным клапаном с ручной настройкой с функцией запирания, под установку распределителя Ду6, два выхода X и Y, элемент регулировки - винт под шести
    LFA16DBWD2-7X/200 - Крышка для логического клапана, типоразмер Ду16 функционал - DBWD2 = крышка с предохранительным клапаном с ручной настройкой с функцией запирания, под установку распределителя Ду6, два выхода X и Y, элемент регулировки - винт под шести
    0
    0
    В наличии: 3
    10 311.36 ₽
    LFA16DBWD2-7X/200 - Крышка для логического клапана, типоразмер Ду16 функционал - DBWD2 = крышка с предохранительным клапаном с ручной настройкой с функцией запирания, под установку распределителя Ду6, два выхода X и Y, элемент регулировки - винт под шести LFA16DBWD2-7X/200 - Крышка для логического клапана, типоразмер Ду16 функционал - DBWD2 = крышка с предохранительным клапаном с ручной настройкой с функцией запирания, под установку распределителя Ду6, два выхода X и Y, элемент регулировки - винт под шести
    LFA16DBWD2-7X/200 - Крышка для логического клапана, типоразмер Ду16 функционал - DBWD2 = крышка с предохранительным клапаном с ручной настройкой с функцией запирания, под установку распределителя Ду6, два выхода X и Y, элемент регулировки - винт под шести
    0
    0
    В наличии: 3
    10 311.36 ₽
    LFA16DBWD2-7X/200 - Крышка для логического клапана, типоразмер Ду16 функционал - DBWD2 = крышка с предохранительным клапаном с ручной настройкой с функцией запирания, под установку распределителя Ду6, два выхода X и Y, элемент регулировки - винт под шести LFA16DBWD2-7X/200 - Крышка для логического клапана, типоразмер Ду16 функционал - DBWD2 = крышка с предохранительным клапаном с ручной настройкой с функцией запирания, под установку распределителя Ду6, два выхода X и Y, элемент регулировки - винт под шести
    LFA16DBWD2-7X/200 - Крышка для логического клапана, типоразмер Ду16 функционал - DBWD2 = крышка с предохранительным клапаном с ручной настройкой с функцией запирания, под установку распределителя Ду6, два выхода X и Y, элемент регулировки - винт под шести
    0
    0
    В наличии: 3
    10 311.36 ₽
    LFA16DBWD2-7X/100 - Крышка для логического клапана, типоразмер Ду16 функционал - DBWD2 = крышка с предохранительным клапаном с ручной настройкой с функцией запирания, под установку распределителя Ду6, два выхода X и Y, элемент регулировки - винт под шести LFA16DBWD2-7X/100 - Крышка для логического клапана, типоразмер Ду16 функционал - DBWD2 = крышка с предохранительным клапаном с ручной настройкой с функцией запирания, под установку распределителя Ду6, два выхода X и Y, элемент регулировки - винт под шести
    LFA16DBWD2-7X/100 - Крышка для логического клапана, типоразмер Ду16 функционал - DBWD2 = крышка с предохранительным клапаном с ручной настройкой с функцией запирания, под установку распределителя Ду6, два выхода X и Y, элемент регулировки - винт под шести
    0
    0
    В наличии: 3
    10 311.36 ₽
    LFA16DBWD2-7X/100 - Крышка для логического клапана, типоразмер Ду16 функционал - DBWD2 = крышка с предохранительным клапаном с ручной настройкой с функцией запирания, под установку распределителя Ду6, два выхода X и Y, элемент регулировки - винт под шести LFA16DBWD2-7X/100 - Крышка для логического клапана, типоразмер Ду16 функционал - DBWD2 = крышка с предохранительным клапаном с ручной настройкой с функцией запирания, под установку распределителя Ду6, два выхода X и Y, элемент регулировки - винт под шести
    LFA16DBWD2-7X/100 - Крышка для логического клапана, типоразмер Ду16 функционал - DBWD2 = крышка с предохранительным клапаном с ручной настройкой с функцией запирания, под установку распределителя Ду6, два выхода X и Y, элемент регулировки - винт под шести
    0
    0
    В наличии: 3
    10 311.36 ₽
    LFA16DBW2-7X/420 - Крышка для логического клапана, типоразмер Ду16 функционал - DBW2 = крышка с предохранительным клапаном с ручной настройкой с функцией разгрузки, под установку распределителя Ду6, два выхода X и Y, элемент регулировки - винт под шестигр LFA16DBW2-7X/420 - Крышка для логического клапана, типоразмер Ду16 функционал - DBW2 = крышка с предохранительным клапаном с ручной настройкой с функцией разгрузки, под установку распределителя Ду6, два выхода X и Y, элемент регулировки - винт под шестигр
    LFA16DBW2-7X/420 - Крышка для логического клапана, типоразмер Ду16 функционал - DBW2 = крышка с предохранительным клапаном с ручной настройкой с функцией разгрузки, под установку распределителя Ду6, два выхода X и Y, элемент регулировки - винт под шестигр
    0
    0
    В наличии: 3
    10 311.36 ₽
    LFA16DBW2-7X/420 - Крышка для логического клапана, типоразмер Ду16 функционал - DBW2 = крышка с предохранительным клапаном с ручной настройкой с функцией разгрузки, под установку распределителя Ду6, два выхода X и Y, элемент регулировки - винт под шестигр LFA16DBW2-7X/420 - Крышка для логического клапана, типоразмер Ду16 функционал - DBW2 = крышка с предохранительным клапаном с ручной настройкой с функцией разгрузки, под установку распределителя Ду6, два выхода X и Y, элемент регулировки - винт под шестигр
    LFA16DBW2-7X/420 - Крышка для логического клапана, типоразмер Ду16 функционал - DBW2 = крышка с предохранительным клапаном с ручной настройкой с функцией разгрузки, под установку распределителя Ду6, два выхода X и Y, элемент регулировки - винт под шестигр
    0
    0
    В наличии: 3
    10 311.36 ₽
    LFA16DBW2-7X/420 - Крышка для логического клапана, типоразмер Ду16 функционал - DBW2 = крышка с предохранительным клапаном с ручной настройкой с функцией разгрузки, под установку распределителя Ду6, два выхода X и Y, элемент регулировки - винт под шестигр LFA16DBW2-7X/420 - Крышка для логического клапана, типоразмер Ду16 функционал - DBW2 = крышка с предохранительным клапаном с ручной настройкой с функцией разгрузки, под установку распределителя Ду6, два выхода X и Y, элемент регулировки - винт под шестигр
    LFA16DBW2-7X/420 - Крышка для логического клапана, типоразмер Ду16 функционал - DBW2 = крышка с предохранительным клапаном с ручной настройкой с функцией разгрузки, под установку распределителя Ду6, два выхода X и Y, элемент регулировки - винт под шестигр
    0
    0
    В наличии: 3
    10 311.36 ₽
    LFA16DBW2-7X/420 - Крышка для логического клапана, типоразмер Ду16 функционал - DBW2 = крышка с предохранительным клапаном с ручной настройкой с функцией разгрузки, под установку распределителя Ду6, два выхода X и Y, элемент регулировки - винт под шестигр LFA16DBW2-7X/420 - Крышка для логического клапана, типоразмер Ду16 функционал - DBW2 = крышка с предохранительным клапаном с ручной настройкой с функцией разгрузки, под установку распределителя Ду6, два выхода X и Y, элемент регулировки - винт под шестигр
    LFA16DBW2-7X/420 - Крышка для логического клапана, типоразмер Ду16 функционал - DBW2 = крышка с предохранительным клапаном с ручной настройкой с функцией разгрузки, под установку распределителя Ду6, два выхода X и Y, элемент регулировки - винт под шестигр
    0
    0
    В наличии: 3
    10 311.36 ₽
    1 ... 225 226 227 228 229 230 231
    Категория
    • Гидравлические устройства управления
      • Логические клапаны LC и LFA
        • LC картридж - предохранительные клапаны
        • LC картридж - распределители
        • LC картридж - редукционные клапаны
        • LFA крышка - клапаны давления
        • LFA крышка - распределители
        • LFA крышка - с датчиками (конечными выключателями)
    Подписаться
    на новости и акции
    Связаться с нами
    +7 (952) 241-22-85
    +7 (952) 241-22-85
    E-mail
    market@exima.pro
    Адрес
    Санкт-Петербург, ул. Новорощинская, д. 4, литер А,
    часть 1Н, № 670 (офис 1023-2)
    Режим работы
    с 9:00 до 18:00
    market@exima.pro
    Санкт-Петербург, ул. Новорощинская, д. 4, литер А,
    часть 1Н, № 670 (офис 1023-2)
    Интернет-магазин
    Каталог
    Бренды
    Услуги
    Компания
    О компании
    Блог
    Нас рекомендуют
    Информация
    Реквизиты
    Представительства
    Проекты
    Завод ЭПРО
    Автоматизированные системы на основе ИИ
    Официальные дилеры
    Покупки
    Оплата
    Доставка
    Гарантия
    © 2026 Exima Маркет
    Конфиденциальность
    Оферта

    На информационном ресурсе применяются рекомендательные технологии.

    Все ресурсы сайта exima.market, включая (но не ограничиваясь) текстовую, графическую, фотографическую и видео информацию, структуру, дизайн и оформление страниц, доменное имя, фирменное наименование являются объектами авторского права и прав на интеллектуальную собственность, защищены российским законодательством и международными соглашениями об охране авторских прав. Запрещается любое использование содержания страниц и контента данного сайта на других площадках без предварительного согласия правообладателя. Запрещаются любые иные действия, в результате которых у пользователей Интернета может сложиться впечатление, что представленные материалы не имеют отношения к exima.market.

    Главная Каталог 0 Корзина 0 Избранные Кабинет Контакты Услуги Бренды Отзывы Компания Документы Реквизиты Блог